ダイヤル型電信機を作ろう    2025.12.23

 日本で"最初の電信が敷設されたのは、東京・築地の運上所(いまの税関)と横浜の裁判所の間で、1869(明治2)年12月のことである。このとき使われた電信機が、ダイヤル型電信機で、フランスから輸入されたブレゲー指字電信機であった。この電信機は、送信側でダイヤルを回し、文字を示すと、回転した数のパルスが受信側に伝わり、受信側のダイヤルを回して文字を指し示すというものであった。
 筆者はかねてから、このダイヤル型電信機を作ってみたいと思っていたが、回転機構に時計で使われる脱進装置が必要になり、とても筆者の工作の技量では無理だと諦めていた。今回、書籍に紹介することを目的に、このダイヤル型電信機の製作を試みた。機械的な機構ではなく、ステッピングモーターとマイコンでの制御という今様のものだが、なんとか実現したので、以下に紹介したい。

図1  ブレゲー指字電信機

(1)送信機の製作
 送信機は、回転するたびにパルスを発生させる機構である。今回は図1のようにアルファベットを指字するのではなく、数字のみを扱うように簡素化した。これなら円周を10分割すればよい。これでも電信の機構は理解できると考えたからである。アルファベットにチャレンジしたい人は26分割すればよい(実際の電信機はJがなく、代わりに+が入っている)。

 送信側のパルス発生機構には、図2のような円形カムを製作した。厚さ4mmの合板である。これに軸を取り付けて動くようにした。スイッチには小型のリミットスイッチが手元にあったのでこれを使用した。また、スイッチだけだとステップごとに回転が止まらないため、プラ板でバネ機構を作り、これを円形カムにかませた。写真や図を以下に示す。
図2 円形カム 図3 軸の加工

図4 スイッチとプラ板で作ったバネ

 これらのパーツを、135×135×12の合板の土台上に組み立てた。土台には中心にφ5.2の穴を深さ2mmであけておく。スイッチとバネの位置は現物合わせで決めた。覆いとなる板は、4mm厚の合板を100×100のものと100×21(2枚)で「コ」の字型に接着して作った。100×100の板には中央にφ5.2の穴をあけておく。円板状の文字は「花子」というソフトで作成し、シール用紙に印刷、切り抜いて貼り付けた。

図5 送信機の機構

図6 送信機の外観

 ターミナルは、陸軍ターミナルと称するものが手元にあったのでこれを使用した。土台にターミナルのナットが入る六角形の穴を2mmほどの深さにあけ、ここにナットを押し込んで、ターミナルのネジを入れた。木ネジなどでターミナルをつくり、ワニグチクリップが付いた線を使ってもよい。

(2)受信機の製作
 受信機は、ほとんど電子工作となってしまった。
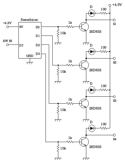
 全体の回路図を図7に示す。マイコンは小型のSeeeduinoを使用した。マイコンにはステッピングモーターを駆動するだけの能力がないので、駆動回路をトランジスタで作った。

図7 モーター駆動回路

 ステッピングモーターは手元にあったオリエンタルモーターのPX243M-01Aというものである。針を回すだけにしては少々大きいが、手持ちで一番駆動電圧が低かったのがこれだった。5Vくらいの駆動電圧で安価なステッピングモーターは入手可能なので、製作される方はそれを使うとよい。このモーターの仕様は4V,0.9A、0.9度/stepというものである。1回のパルスで0.9度進む。ステッピングモーターの駆動方法にはいくつかの種類があるが、今回は針を回すだけなので、最も簡単な駆動方法である「1相ユニポーラ励磁」(図8参照)を使った。簡単で、駆動電流が最も少なくてすむ。図でCWはクロックワイズ(時計回り)、CCWはカウンタークロックワイズ(反時計回り)である。
図8 ステッピングモーターの駆動方法

これらを130×60×4の合板の土台に、100×100×12の合板を垂直に取り付けて、モーターと回路基板を取り付けた(図9,10)。

図9 図10

 
取り付けたモーターの下には電池ボックスが入る。こうした構造にしたのは、受信機の外箱から簡単に取り出すことができるようにするためである。図10の基板の一番下にマイコンが取り付けてある。プリント基板はユニバーサル基板ICB-93Sを使用した。配置と配線は図11を参照されたい。図は部品面から見た図である。

図11 配置と配線図

 受信機の外箱は、図12,13の通りである。

図12 受信機の外箱(正面図)

図13 受信機の外箱(側面図)

図中で、①は130×75×12、②:130×75×5、③:100×100×12である。外箱の正面に使用した板は、130×120×4で、モーターの軸部分にφ5.2の穴をあけてある。②と③は木ネジ止め、その他はボンドで接着した。 側面の板には120×75×4(2枚)を使用し、正面から見て右側の側板には、ターミナルと駆動回路全体をON/OFFする電源スイッチを取り付けた。完成図を図14に示す。

図14 ダイヤル型電信機

 プログラムはArduino IDEで作成し、転送した。電源には単3電池3本(4.5V)を使用した。プログラムを参考までにあげておく。

int i,j;

void setup(){
 for(j=0;j<4;j++){
  pinMode(j,OUTPUT);
  digitalWrite(j,LOW);
 }
 pinMode(7,INPUT_PULLUP);
}

void stepping(){
 for(i=0;i<10;i++){
  for(j=0;j<4;j++){
   digitalWrite(j,HIGH);
   delay(10);
   digitalWrite(j,LOW);
  }
 }
}

void loop(){
 if(digitalRead(7)==0){
  stepping();
 }
 delay(10);
}
 

 
【参考】
『ステッピングモータの制御回路設計』真壁國昭、CQ出版社、1987.5


【図の出典】
図1:筆者撮影(逓信総合博物館:2007年)
他の図は、筆者撮影または作成

 
<ものづくりのページに戻る>

<HOMEに戻る>