| デュボアの三本組木 2026.01.24 |
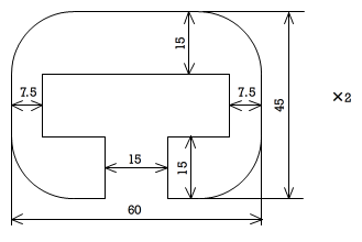
芦ヶ原氏が訳した『悪魔のパズル』という本の中に、三本組木のパズルがいくつか掲載されている。原理はほぼ同じなので、その中の一つ「デュボアの三本組木」を作ってみた。デュボアは、Philippe Duboisのことで、スイス生まれのイスラエル在住とある。このパズルは、厚さを1とすると、横幅が3、長さが4の比率のピースで構成されている。筆者は手元に厚さ15mmの白木の板があったので、15mmを基準として製作した。作られる方は、入手できる板厚を基準にして寸法を決めるとよい。 図1 完成したパズルピースは2種類あり、英字のOとCに見えるので、以下この呼び名を使う。工作ではできるだけ正確に作ることだが、若干のゆとりをもたせないと汲むことができないのも事実である。最終的には組んでいく中で修正するしかない。 ![]() 図2 ピースの寸法どちらのピースも中央に穴をあけないといけないので、筆者は糸のこを使ってだいたいの形にまず切り抜いた。刃をターンさせる位置にφ3.5のドリルで穴をあけておいた。 図3 中央の穴の下処理あとはノミやヤスリを使って整形する。できるだけ労力が少ない手段を選んで加工したい。最終的にはヤスリで合わせるしかない。 図4 完成したピース【組み方】 このパズルは、組み上げていく中で2回の移動が必要になる。以下に、組み方の写真を掲載しておく。 (1)CのピースにOのピースを入れる。 ![]() (2)Oのピースを90°回転する。幅の狭い方が外側になる。OをCの下の溝に押し込む。 ![]() (3)Cのピースを入れ、Oのピースとともに上に押し上げる。 ![]() (4)Oのピースを左に動かす。これで完成。 ![]() 【参考】 『悪魔のパズル』(原題The Book of Ingenious & Diabolical Puzzles),J.Slocum & J.Botermans、芦ヶ原伸之訳、日経サイエンス社、1995.12 |
| <ものづくりのページに戻る> <HOMEに戻る> |